[*]


[*]
я бы тогда заказал бы изготовление за свой счет и наступилобы вселенское счастье
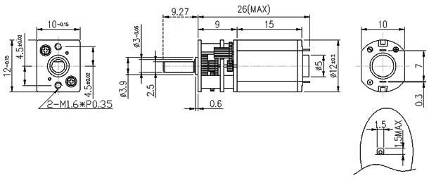
ЗЫ картинки стырены вот отсюда http://www.pololu.com/catalog/product/992
Добавлено спустя 23 минуты 2 секунды:
и на вал желательное еще "шестеренку" с дырочками под оптопару энкодера
Update: FireFly опубликовал вот такие фотки этого редуктора: